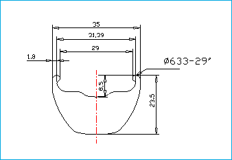
35 mm di larghezza per il cerchio Nextie . 24,28.32 e 36 fori , UD o 3K , opaco o lucido come disponibilità.
all’interno abbiamo 31 mm di canale !!
35mm wide for Nextie carbon rim. 24,28,32 or 36 holes, UD or 3K, matte or gloss finishing available.
internal width is over 31 mm !!
http://www.nextie-bike.com/carbon_mountain_bike_rims/29er_clincher/NXT29C03




